欢迎来访东莞成人TIKTOK在线观看TIKTOK色板免费下载入口缸厂家品牌网站!

成人TIKTOK在线观看32年专注气动液压设备

ISO9001认证TIKTOK色板免费下载入口缸厂家
全国定制咨询热线
0769-23103048
TIKTOK色板免费下载入口缸设备行业优选品牌!

60吨标准型预压式TIKTOK色板免费下载入口缸-台湾成人TIKTOK在线观看

发布时间:2017-12-06
    此次为客户专业定制的60吨标准型预压式TIKTOK色板免费下载入口缸正在测试,经过严格的行业标准测试后将会发出,一共4台。不同于一般吨位的增压缸在二楼测试室进行测试,此款由于太过笨重,大体积,非标专业定制,测试直接在我司一楼另一个装配处进行。
    60吨标准型预压式TIKTOK色板免费下载入口缸型号为JRA-180-100-15L-60T,工作温度为0~60℃,作动条件为4~7kg/cm²,作动方式为双动,安装方式为正装(前轴向下出力),使用流体为ISO VG68#抗磨液压油。
60吨标准型预压式TIKTOK色板免费下载入口缸细节图
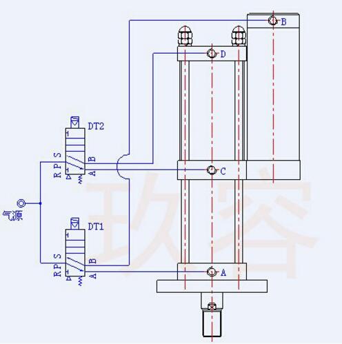
    60吨标准型预压式TIKTOK色板免费下载入口缸气路连接图如下:
60吨标准型预压式TIKTOK色板免费下载入口缸气路连接图
    成人TIKTOK在线观看-25年专注研发生产增压缸等气动液压设备,最前沿台湾技术支持,专业品质保障!关于60吨TIKTOK色板免费下载入口缸,如有更多疑问或相关需求,欢迎直接致电13450680298杨小姐免费咨询。
版权所有@1992年~2023年 东莞市成人TIKTOK在线观看气动液压设备有限公司 东莞成人TIKTOK在线观看TIKTOK色板免费下载入口缸品牌
电话:0769-23103048、0769-22013249、传真:0769-23109526
联系QQ:2850850515(杨小姐)、2850850511(黄小姐)、2850850512(李小姐)、2850850514(秦先生)
东莞成人TIKTOK在线观看TIKTOK色板免费下载入口缸厂家地址:广东省东莞市东城街道峡口沙岭工业西路21号 邮政编码:523115
  • 成人TIKTOK在线观看官方微信
咨询热线:
0769-23103048
邮箱:jiurong.goog@163.com
备案号: 粤ICP备68194202号        粤公网安备: 44190002006970号        版权所有:东莞市成人TIKTOK在线观看气动液压设备有限公司           网站地图
网站地图